Nema14 35HM 2 phase 0.9° hybrid stepper motor

Contact Us:Nema 17 Hybrid Linear Stepper Motor
The linear stepping motor is evolved from a rotary stepper motor. Its working principle is to produce electromagnetic thrust by using the change of air gap reluctance between stator and rotor. In terms of structure, a linear stepping motor is usually made of an inductor, and the mover is composed of a permanent magnet, magnetic pole, and control winding.
Although the structure of the linear stepping motor is simpler than that of other types of linear motor, the machining accuracy of its parts is higher, especially since the air gap of the motor is small, and the support structure of the actuator is required to be higher.

stepper motor parameter:
| Model No | Step Angle (°) | Rated Voltage (V) | Rated Current (A) | Phase Resistance (Ω) | Phase Inductance (mH) | Holding Torque (Kg.cm) | Detent Torque (g.cm Max) | Rotor Inertia (g.cm²) | Motor Length (mm) | Leads No. | Motor Weight (Kg) |
| 42HS29-0804 | 1.8 | 2.3 | 0.8 | 2.9 | 3 | 1.8 | 180 | 25 | 29 | 4 | 0.16 |
| 42HS34-0306 | 1.8 | 10.3 | 0.3 | 34.2 | 25.5 | 2.2 | 200 | 34 | 34 | 6 | 0.22 |
| 42HS34-0844 | 1.8 | 4.8 | 0.84 | 5.75 | 8 | 2.8 | 200 | 34 | 34 | 4 | 0.22 |
| 42HS34-1704 | 1.8 | 2.2 | 1.7 | 1.3 | 1.8 | 2.8 | 200 | 34 | 34 | 4 | 0.22 |
| 42HS40-0404 | 1.8 | 12.0 | 0.4 | 30 | 60 | 4.2 | 220 | 54 | 40 | 4 | 0.28 |
| 42HS40-0806 | 1.8 | 6.0 | 0.8 | 7.5 | 6.7 | 2.8 | 220 | 54 | 40 | 6 | 0.28 |
| 42HS40-1684 | 1.8 | 2.8 | 1.68 | 1.68 | 3.4 | 4 | 220 | 54 | 40 | 4 | 0.28 |
| 42HS40-1206 | 1.8 | 4.0 | 1.2 | 3.3 | 3.5 | 2.97 | 220 | 54 | 40 | 6 | 0.28 |
| 42HS48-0404 | 1.8 | 12.0 | 0.4 | 30 | 45 | 4.5 | 280 | 68 | 48 | 4 | 0.38 |
| 42HS48-1304 | 1.8 | 4.6 | 1.3 | 3.5 | 6.6 | 5.5 | 280 | 68 | 48 | 4 | 0.38 |
| 42HS48-1504 | 1.8 | 4.2 | 1.5 | 2.8 | 5.5 | 5.5 | 280 | 68 | 48 | 4 | 0.38 |
| 42HS48-1684 | 1.8 | 3.4 | 1.68 | 2 | 3.8 | 5.2 | 280 | 68 | 48 | 4 | 0.38 |
| 42HS52-1504 | 1.8 | 4.5 | 1.5 | 3 | 7 | 6.8 | 300 | 80 | 52 | 4 | 0.45 |
| 42HS60-1504 | 1.8 | 3.8 | 1.5 | 2.5 | 6 | 7 | 360 | 95 | 60 | 4 | 0.55 |
| Above only for representative products, products of special request can be made according to the customer request. | |||||||||||
Lead screw specification:
| Diameter | Lead Distance | Start | Step Length(mm) | Applicable Motor |
| M5 | 1.6 | 2 | 0.008 | 42HSL-E,42HSL-N |
| Tr5 | 2 | 2 | 0.01 | 42HSL-E,42HSL-N |
| Tr6.5 | 3 | 2 | 0.015 | 42HSL-E,42HSL-N |
| Tr8 | 1 | 1 | 0.005 | 42HSL-E,42HSL-N |
| Tr8 | 2 | 1 | 0.01 | 42HSL-E,42HSL-N |
| Tr8 | 4 | 2 | 0.02 | 42HSL-E,42HSL-N |
| Tr8 | 8 | 4 | 0.04 | 42HSL-E,42HSL-N |
| Tr10 | 2 | 1 | 0.01 | 42HSL-E |
| Tr10 | 4 | 2 | 0.02 | 42HSL-E |
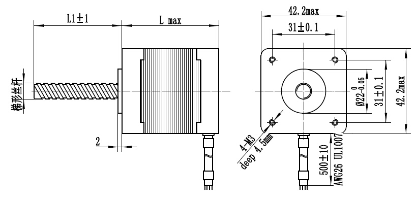
42HSL-E External type dimensions(mm):

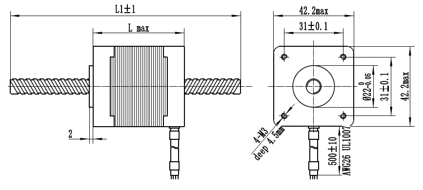
42HSL-N Non-captive type dimensions(mm):

Remark: Lead screw length and the nut for external type can be customized.
