Description:
Changzhou Dewo Motor Co.,Ltd
New Design of Stepper Motor with Ball Screw
Advantage:
1、the beat of the ball scr ew is less than 1![]()
2、Can receive the customized by customers
Parameter:

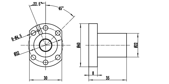
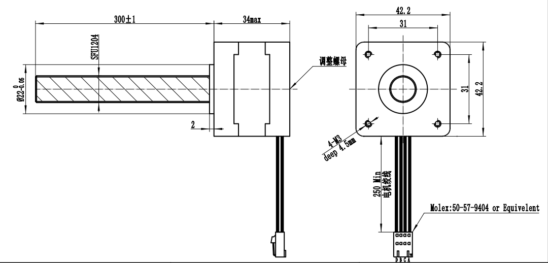
Drawing of the motor and the ball screw:


The picture of the products:


View More(Total0)Comment Lists